Abstract
The Republic of Kuwait depends nearly entirely on the desalination of seawater for its drinkable supplies of water and expends approximately 33% of its revenue from oil on the desalination of water and the production of electricity. In the meantime, it has amongst the topmost per-capita consumption of water levels on the earth and usages energy-intensive Multi-Stage Flash (MSF) technology for desalination. The state of Kuwait has been entirely reliant on its supplies of fresh water from the water from sea distillation plants for the previous four decades. Multi-Stage Flash Distillation Plants (MSF) have efficiently been functional in the Republic of Kuwait for around three decades, during which time Kuwait has gotten extensive practice in the designing, commission, maintenance and operation of MSF Distillation Plants.
Introduction
The Middle East region is one of the most dehydrated regions on Earth, with the usual precipitation of around 20 to 40cm yearly, while the global average is 72cm of rainfall. Droughts are very common in most parts of the Middle East, including Kuwait. The area is also facing a quick increase in the population, whereas the population has risen to around three times in the previous half-century. For these causes and other problems, for example, very weak water management, the need for water resources is progressively scarce. Water desalination has been experienced for around five decades in the continent and has turned out to be the main reaction to the shortage of water in many nations, including Kuwait. The whole region interprets for nearly 50% of the worldwide desalination volume, while the Persian Gulf countries have the highest portion.
Fresh water is a very fundamental need of human beings, in addition to being a vital element for the formation and growth of all societies. The location of Kuwait is very warm, dehydrated, and mostly comprised of desert areas and has underprivileged the nation for nearly all of the natural domestic fresh-water resources, which has delayed its growth for several years. At a similar time, though, it is this similar geographical place of Kuwait that makes him able to utilize the seawater, when understood as an impracticable water reserve, turns out to be further economically viable. This place was the direct-forward goal for the growth of technical approaches to desalination. The remarkable economic, social, and industrial extensions observed by Kuwait in the previous forty years of the Twentieth Century were powered by the supplies of fresh water from the ocean, with the help of desalination technology called Multi-Stage Flash (MSF) evaporation. This Paper will discuss how Kuwait relies on seawater to fulfill its water requirement, the cost of desalination of seawater, and the methods that are used for desalination1.
Methods
There are three leading ways of the desalination of seawater which are named as electrical, thermal, and pressure. All three techniques vary in terms of their consumption of energy and the cost of desalination and could be used for the brackish or seawater water treatment plant. The three furthermost used desalination methods in the area are multi-effect distillation (MED), reverse osmosis (RO), and multistage flash (MSF). MED and MSF are distillation plants, while RO practices membranes to separate the salts from the water. Distillation methods have ruled the desalination market of the sea water; partially as they have lent themselves very well to the generation of drinkable water and electricity. Lately, the worldwide share of RO has been better attributed to the growth of superior membranes and decreases in the consumption of electricity. In the year 2008, RO accounted for more than 53 percent of the global volume. However, MSF comprised nearly 25 percent. Whereas MED is slightly more common than MSF or RO, it now interrelates for a major fraction of the worldwide capacity of desalination2.
In the Middle East, thermal technologies are mostly used by the oil-rich nations adjacent to the Persian Gulf, where the price of energy is much low. These states comprise of Kingdom of Saudi Arabia, UAE, Kuwait, Oman, Bahrain and Qatar, with an overall volume of about 26 million m3/day by the year 2008. The Kingdom of Saudi Arabia is the major manufacturer of desalinated water where around 70 percent of its water requirements are fulfilled by the process of desalination of seawater. Other nations in the Middle East lack local fossil fuels like oil and gas as the energy sources have their main plants constructed for membrane equipment, which is less energy concentrated and only needs electricity as the source of energy. These nations rely slighter on the desalination of seawater because of the financial limitations and enhanced access to some other freshwater resources3.
MSF Process
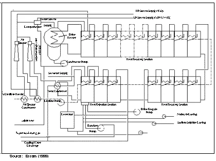
The MSF procedure in the desalination of seawater starts with the heating of seawater and ends with the condensation of water. Amongst the condenser and heater phases, there are many evaporators-heat exchanger sub-units, with warmers that are supplied from an exterior heat foundation. Repetitive-distillation sequences are performed in all of these units, with the colder sea-water is being used as a heat sinker in the condenser chamber.
The condenser, which is also recognized as the heat-rejection unit, typically comprises two or three evaporation phases. The colder sea water runs in the heat exchanger tubes of the heat rejection unit, starting with the previous phase, which has the lowest absolute temperature and, hence, the lowest vapor temperature. The vapor condenses on the outer surface of the heat exchanger tubes and gives up its dormant heat to the sea-water watercourse as a consequence of numerous degrees of the differences in temperature. The temperature of seawater rises several degrees centigrade as it runs from one phase to the other phase of greater temperature and absolute pressure4.

Figure 15
After leaving the first stage, the heat-rejection unit, with a whole rise of temperature of around 7 degrees to 8 degrees centigrade, and after that separates into a temperament feed watercourse and an excluded watercourse.
The makeup feed water should pass over a column (or many columns), which is called the deaerator, in a disrobing method that eliminates the liquefied gases from that makeup water. Elements like anti-scaling agents and antifoaming are then further added in the next phase, and sodium-sulfate is injected at the obligatory amounts of ratios to the makeup water beforehand it enters the last stage of evaporation6.
On the opposite side of the MSF distillation unit, the exterior low-pressure condensation, which provides heat to it, arrives at the condenses and brine heater. Its covert heat is moved to the preheated recycling brine, raising the temperature of the latter to the next level, which is known as the top brine temperature (TBT). The value of TBT ranges from 90 C to 120 C, which depends on the scale-inhibition method used (that is, high or low-temperature spices or the acid-dosing). The extremely permissible TBT, though, depends upon the standard for the deposition of calcium sulfate, which has a direct relation to the brine concentration and pH of the water7.
The brine-distillation cycles run over two different watercourses in the middle heat recovery section. A cooling stream, from where the brine streams in the heat-exchanger tubes, results in the flashing vapors abridging on the outdoor heat transmission surfaces. The path of the cooling watercourse is the ending phase of the heat-recovery unit to the bay of the brine-heater pipes. The further watercourse is the flashing-brine watercourse. Flashing happens when the solution of brine is superheated (up to several degrees), as related to the dominant pressure at the arrival of every stage. Therefore, it changes into the state of thermodynamic equilibrium. This super-heating or thermodynamic state of in-equilibrium is the driving force that causes the discharge of drinkable and pure water vapor from the brine tube8.
The brine arrives at the 1st flashing phase at the level of TBT and endures to send out functional heat to that of flashing vapor. The brine cool-down as it streams from one phase to the other phase over the inter-stage orifice gates.
The pressure drop amongst the two sequential phases is persuaded by the stream of the flashing brine over the measured inter-phase opening gates. As per the flashing-brine runs from higher temperature towards the lower temperature phases, the absolute-pressure in the phases endures reducing whereas the concentration of brine rises because of the constant parting of the pure and drinkable water vapour from the brine. To retain the concentration of brine at a satisfactory level, a part of the concentrated brine is freed from the previous phase of evaporation, and the rest is then diluted with the help of makeup feed water. The brine is then needed to have a concentration of around 150% of that of the concentration of seawater. The diluted brine is then propelled over through the pipes to make a cold brine watercourse9.
The pure water vapor produced in every evaporation phase would move to the heat-exchanging tubes as a result of local pressure gradients made by the released systems of the non-condensed gas.
Demisters are being provided in between the condensation and the evaporation side of the water vapor space to stop the leftover salty-water precipitations to the created purified water. The condensing water vapor (the purified drinkable water) is collected in the condensation containers that let it stream in a similar course as the flashing brine from higher-temperature phases to the lower-temperature phases. A portion of the purified drinkable water starts to evaporate for the second time by the process of flashing because of the high temperature produced by the drop of pressure in-between the phases and condensing over on the surface of the tube, therefore giving up its super-heat to the refrigerating stream of brine10.
Water-vapor jet air ejectors, which obtain their lashing vapor from a nearby power plant or the auxiliary boiler, are being used to uphold the needed vacuum in the many evaporator phases and, if required, in the heater of brine.
MSF Process Performance
Two fundamental aspects should first be recognized while deliberating an MSF plant. They are the plant’s production volume and the accessible thermal- power (in steam) mandatory to energize the purification plant to create the required output.
There are two rules for determining the efficiency of the MSF plant (which is also known as the process potential): the performance ratio (PR) and the gain output ratio (GOR). The GOR is well-defined as the mass ratio between the distillate products and the water vapor supplied to the brine heater; both are deliberated in kilograms per unit of time11.

Figure 212
The PR is well-defined as the concentrated mass (kilograms per one million joules of thermal energy) over the condensation of the heated steam or as per the enthalpy of the evaporation of one KG of heating steam in normal environments. These proportions depend on numerous constraints that include many evaporation phases, the extreme temperature of brine, flashing variety (variance amongst the temperature of cooling-seawater at the bay at the last phase of the heat-refusal unit and TBT), the mass proportion of reprocessing distillate and brine, the concentration of the reprocessing brine, and phase efficiency.
Discussion
The Sea Water Desalination of salty and saltwater has been increasing speedily in recent years, mainly to deliver water for the civic and manufacturing usages in semiarid, arid or areas with a shortage of water. It is ambitious because of the water stress produced by the restricted resources of water and the forever-rising need for fresh and drinkable water. Incessant development in seawater desalination technology creates it as a major, if not merely, contender for easing extreme shortages of water throughout the earth. The marketplace is also ambitious by the decreasing prices of desalination of seawater, which is because of the technological progress in the seawater desalination-process. Until the year 2002, around fifteen thousand industrial-based desalination plants, with an overall volume of around 32.4 million m3/d, have been fitted or constricted globally. From them, non-seawater desalination units added to around 13.3 million m3/d, though the volume of the seawater desalination units touched 19.1 million m3/d11.
The total expenditures of the production of pure water by the process of desalination have fallen significantly in recent years as an outcome of decreases in the cost of the tools, decrease in the consumption of power and progress in the design of the system and the functioning involvements. As the predictable trends of water supply are further costly because of the over-exploitation of aquifers and growing polluted resources of water, desalted water turns out to be a feasible alternative source of water. Seawater Desalination expenses are less in the process and maintaining prices of the long-distance water transportation structure. This study describes the chief financial limits that are used in the approximation of the seawater desalination expenses and analyzes the per unit expenditures of the desalted water for the five key methods, which are grounded on the basic norms. It then usages numerous deteriorations to approximate the leanings of unit expenditures over the passage of time and examine the important aspects that disturb the price of seawater desalination. Furthermore, a literature-based study on the expenditures of transportation of water is made to approximate the overall cost of seawater desalination and the transportation of the seawater desalinated to the places where a shortage of water in the state of Kuwait13.
The total costs of seawater desalination vary considerably depending on the extent and kind of the seawater desalination unit, the foundation and feature of arriving feed water, the location of the plant, the condition of the site, capability of labor, cost of energy and the lifetime of the unit. Lesser feed-water salinity needs lesser electric power and treating of anti-scale substances. Bigger plant volume lessens the cost of plant and water because of the economies of scale. Lower energy expenditures and extended periods of the plant reduce the plant’s product water expenditure.
The main features of the seawater desalination costs are the capital cost and the yearly cost of running the plant. The capital cost includes the purchasing cost of main tools, secondary tools, land, creation, contingency costs, management overheads etc. The capital costs for the seawater-desalination units have been reduced over many years because of the constant growth of procedures, mechanisms and resources. The yearly cost of running the plant consists of costs for labor, chemicals, energy, spare parts and consumables. A characteristic collapse of the running costs for the thermal procedures is that the proportion of the energy: substances: labor equals 0.87:0.05:0.08. The costs of energy play a significant part in the thermal procedures. Seawater Distillation costs would vary further than RO with the changing energy costs. In the areas where the energy is comparatively expensive, RO is a good selection as compared to any other thermal methods because of its low consumption of power14.
To offer a summary of the seawater desalination costs in Kuwait, We have evaluated the unit costs for the key procedures, which are centered on rough estimations. All of the units are rated at 600 m3/d per unit or further for the five chief procedures involved in the overall calculation. The land-based desalting plants in Kuwait are assessed at further more than 100 m3/d per unit and delivered, contracted or in the phase of construction as in the year 2017.
In the arid, energy-rich, and water-scarce areas on the Earth like Kuwait, seawater desalination is now a significant choice to be considered. Such as with all of the new technologies, development in seawater desalination has been at a rapid pace. While it cost around 9.0 dollars/m3 to desalinate seawater in the year 1960 now the costs have been reduced to around 1.0 dollars /m3 for the similar MSF procedure. For RO, which is a more widespread process, the costs have been reduced to around 0.6 dollars /m3 for salty water desalination. There is no purpose to consider that the trends will not endure in the upcoming. However, it must be prominent that the costs of seawater desalination continue to be higher than that of other options for most areas on the earth15.
Transportation of the water to the needed areas is comparatively inexpensive, though the main cost is raising it further up. The study has found that the seawater desalinated would be transported to Thailand’s capital of Bangkok and the Chinese capital of Beijing for around $1.1/m3, to the city of Phoenix for 1.3 dollars /m3. These are perhaps modest rates at this time, and they might be well-falls down shortly. Seawater Desalination might be the solution for several regions which has a shortage of water; however not suitable for the regions that are poor, deeper in the center of a landmass, or at places of higher elevation. Unluckily, that comprises several of the areas with the huge problems of water.
It must be prominent that seawater desalination methods are escorted by several undesirable effects on the environment of Kuwait. The environmental costs that are related to seawater desalination, for example, manufacturing of concentrated brine and the emission of carbon dioxide, are not deliberated. According to the researchers, the total cost of brine discarding is projected to be around four to five percent of the capital cost for a seawater RO plant. In the circumstance of domestic brine discarding, brine elimination costs could be a further important share of the cost of desalination, which is around 10% to 25%, reliant on the conditions. So, while deliberating choices for the huge application of seawater desalination, environmental effects would have to be adopted and reduced by suitable development16.
In line with seawater desalination, water recycling and then using it is deliberated and applied progressively to offer further usable pure and drinkable water. Linking the plans of wasted water recycling and seawater desalination technology makes it likely to transform wasted water into high-quality, drinkable water that suits several users in the industrial process and agriculture. Somewhere, there is a shortage of water, so the development of water use competencies must be deliberated in the 1st place; however, its marginal costs must not surpass the marginal costs of improving the water supply with the process of seawater desalination.
The study offers an overall trend of the costs in uneven assumptions. The assortment of furthermost suitable technology and the method for the specific unit must consequently be grounded on the cautious study of location-specific circumstances and economics, in addition to the local requirements. The cost study can be enhanced by adding furthermore comprehensive and detailed running costs for all of the desalting units. For example, if we know the real energy-costs for every unit, the cost estimation could be furthermore truthful. This would be made by gathering a relatively lesser quantity of the units with a higher quality of data. It could also be fascinating to have info on the costs of bringing the desalinated seawater on a physically obvious basis all over the earth.
Conclusion
The Republic of Kuwait is considered an important nation in the making of fresh and drinkable water from the seawater with the help of MSF technology. The very 1st industrial MSF plant ever fitted was four decades ago at Shuwaikh, close to Kuwait’s port. The unit comprised four plants, every plant with a manufacturing volume of around 0.5 MIGD. These were trailed by a 1 MIGD volume plant several years ago. In the mid of 1960’s era, the 2 MIGD volume units became accessible, and earlier to the end of the 1960s era, the four MIGD volumes turned out to be more common. In Kuwait, the price of oil is less than that of water. Water is extremely expensive in the country because the nation has to filter water from the seawater for everyday use. Kuwait has the highest use of water per capita throughout the world. The Republic of Kuwait spends 33% of its annual resources to make saltwater drinkable so that the country can fulfill its need for water. Many distillation plants are working in the state of Kuwait to make the water usable, and the nation has progressed significantly in this field.
In the year 1979, the state of Kuwait was still the Earth’s most prominent nation in the usage of MSF technology, whereas the volume of the production of freshwater with this technology touched 102 MIGD. Twenty years later, in the year 1999, the state of Kuwait had a sum of 40 functioning MSF plants, with an overall manufacturing volume of around 234 MIGD. This capacity could be raised to about 257 MIGD over the high-temperature processes.
References
1. Al-Wazzan Y, Al-Modaf F. Seawater desalination in Kuwait using multistage flash evaporation technology—historical overview. Desalination. 2001;134(1):257-267.
2. Lattemann S, Höpner T. Environmental impact and impact assessment of seawater desalination. Desalination. 2008;220(1-3):1-15.
3. Khawaji AD, Kutubkhanah IK, Wie J-M. Advances in seawater desalination technologies. Desalination. 2008;221(1-3):47-69.
4. Kalogirou SA. Seawater desalination using renewable energy sources. Prog Energy Combust Sci. 2005;31(3):242-281.
5. Zhou Y, Tol RSJ. Evaluating the costs of desalination and water transport. Water Resour Res. 2005;41(3): W03003. doi:10.1029/2004WR003749.
6. Dawoud MA. Environmental impacts of seawater desalination: Arabian Gulf case study. Int J Environ Sustain. 2012;1(3).
7. Cipollina A, Micale G, Rizzuti L. Seawater Desalination: Conventional and Renewable Energy Processes. Springer Science & Business Media; 2009.
8. Avlonitis SA, Kouroumbas K, Vlachakis N. Energy consumption and membrane replacement cost for seawater RO desalination plants. Desalination. 2003;157(1):151-158.
9. Sadhwani JJ, Veza JM, Santana C. Case studies on the environmental impact of seawater desalination. Desalination. 2005;185(1-3):1-8.
10. Elimelech M, Phillip WA. The future of seawater desalination: energy, technology, and the environment. Science. 2011;333(6043):712-717.
11. Hoepner T, Lattemann S. Chemical impacts from seawater desalination plants—a case study of the northern Red Sea. Desalination. 2003;152(1-3):133-140.
12. Maintenance of seawater desalination plant in Kuwait – Bilfinger SE. http://www.bilfinger.com/en/seawater-desalination-plant-in-kuwait/. Accessed December 8, 2017.
13. Fritzmann C, Löwenberg J, Wintgens T, Melin T. State-of-the-art of reverse osmosis desalination. Desalination. 2007;216(1-3):1-76.
14. Hoepner T. A procedure for environmental impact assessments (EIA) for seawater desalination plants. Desalination. 1999;124(1-3):1-12.
15. Chafik E. A new type of seawater desalination plants using solar energy. Desalination. 2003;156(1-3):333-348.
16. Hassan AM, Al-Sofi MAK, Al-Amoudi AS, et al. A new approach to the membrane and thermal seawater desalination processes using nanofiltration membranes (Part 1). Desalination. 1998;118(1):35-51.
Cite This Work
To export a reference to this article please select a referencing stye below:
Academic Master Education Team is a group of academic editors and subject specialists responsible for producing structured, research-backed essays across multiple disciplines. Each article is developed following Academic Master’s Editorial Policy and supported by credible academic references. The team ensures clarity, citation accuracy, and adherence to ethical academic writing standards
Content reviewed under Academic Master Editorial Policy.
- This author does not have any more posts.

